
WILSON PIPELINE
Pipe Flange&Fitting
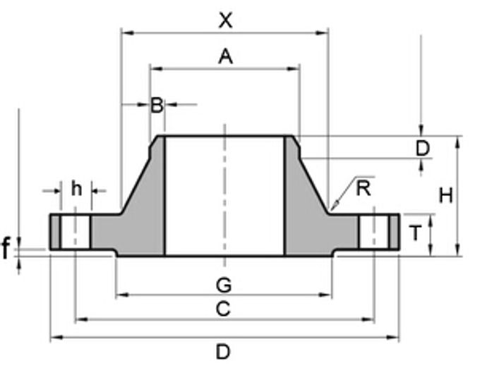
EN 1092-1 PN25 Type 11 Welding Neck Flange
Dimensions & Weight Of EN 1092-1 PN25 Type 11 Welding Neck FlangeRated DiameterFlange DimensionNeck SizeRaised FaceScrews ParameterWeight...
EN 1092-1 PN40 Type 11 Welding Neck Flange
Dimensions & Weight Of EN 1092-1 PN40 Type 11 Welding Neck Flange Rated DiameterFlange DimensionNeck SizeRaised FaceScrews...
Stainless steel and carbon steel composite flange production technology
Stainless steel and carbon steel composite flange production generally have two ways: one is the use of explosive or rolling method will...
Seven steps of stainless steel flanges derusting
Stainless steel, an alloy of iron that contains ten percent chromium, is a very resilient material used in a wide range of household and...
Flange stamping process characteristics
Stamping by press and mold for sheet, strip, tube and profiles, such as external force, to produce plastic deformation or separation, to...
What are the characteristics of stainless steel pipes and stainless steel flanges
Stainless steel flange is a kind of disc parts, in the pipeline engineering is the most common, stainless steel flanges are used in pairs....
How the sealing effect of carbon steel flange By wilsonpipeline.com
Carbon steel flange, the body is made of carbon steel flange or end flanged fittings. Contains carbon steel material of flange, known as...
The use of the high pressure flange requirements By wilsonpipeline.com
High pressure flange is used very widely, but its quality requirements are very high, traditional high pressure flange: is the seal (oval...
How to mark large stainless steel flange By wilsonpipeline.com
Corrosion resistance of stainless steel with the increase of carbon content and reduce, therefore, the majority of stainless steel carbon...
Vacuum requirements and corrosion resistance of stainless steel flanges
The corrosion of stainless steel flange, is usually characterized by the thinning of the wall of the stainless steel flange, a partial...
Flange design, casting and sealing by wilsonpipeline.com
The internal structure of the casting flange is loose and uneven, and the strength and quality are difficult to be guaranteed. The...
Application characteristics of large alloy flange
Alloy flanges for special characteristics of pipelines and pipelines, and more for high temperature and high pressure. The common...
Stainless Steel Products at best price
Established in 2008, wilsonpipeline Pipe Industry Co., Limited is a professional organizer and one-stop-shop supplier for steel piping...
Carbon Steel A 106 GR. B Products at best peice
Carbon Steel A106 GR. B grades in form of Flanges, Pipe Fittings, Buttweld Fittings,Threaded Fittings,Socket Weld Fittings,Fasteners,...
Carbon Steel Grade B A106 Seamless Pipes
Carbon Steel Grade B A106 Seamless Pipes: Carbon Steel Grade B A106 Seamless Pipe known as ASME SA106 pipe. Carbon Steel Grade B A106...
Duplex Steel UNS S31803/S32205 Pipes & Tubes
Duplex Steel (UNS S32205 / UNS S31803) Pipes & Tubes in form of Seamless Pipes & Welded Pipes these availble grades with high quality....
(UNS S32205 / UNS S31803) Duplex Steel Flanges
(UNS S32205 / UNS S31803) Duplex Steel Flanges in these availble grades ASTM A182 / ASME SA182 with high quality Flanges like Weld Neck...
UNS S32205/UNS S3180 Duplex Steel Pipe Fitttings
(UNS S32205 / UNS S31803) Duplex Steel Pipe Fittings in these availble grades ASTM A815/ASME SA815 with high quality Butt-weld Fittings,...
Butt welding neck flange By wilsonpipeline.com
Butt welding neck flange: neck flange welding is often referred to as “high hub flange, its purpose is to transfer some of the pressure...
CONTACT
Flange Fittings&Pipes origin supplier from China
Wilson Pipeline Co.,Ltd
sales@wilsonpipeline.com
Pingan industry zone Cangzhou city china
+8618632758880


